
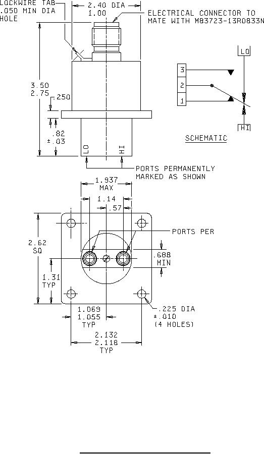
MIL-DTL-9395/32D
Inches
mm
.03
.76
SAE-AS5202
.050
1.27
.06
1.52
.225
5.71
.57
14.48
.70
17.78
.82
20.83
1.055
26.80
1.069
27.15
1.14
28.96
1.31
33.27
1.937
49.20
2.118
53.80
2.132
54.15
2.40
60.96
2.62
66.55
2.75
69.85
3.50
88.90
Configuration 4
WEIGHT: NOT TO EXCEED .97 lbs
NOTES:
1. Dimensions are in inches.
2. Metric equivalents are given for general information only and are based upon 1 inch =25.4 mm.
3. Unless otherwise specified, tolerance is ±.02 (0.51 mm).
FIGURE 1. Switches, pressure, differential, type III - Continued.
4
For Parts Inquires call Parts Hangar, Inc (727) 493-0744
© Copyright 2015 Integrated Publishing, Inc.
A Service Disabled Veteran Owned Small Business