
INCH-POUND
MIL-DTL-83731/22C
2 July 2010
SUPERSEDING
MIL-S-83731/22B
29 March 1991
DETAIL SPECIFICATION SHEET
SWITCHES, TOGGLE, MINIATURE, LEVER-LOCK, FOUR POLE,
LOGIC LOAD TO 5 AMPERES
Inactive for new design after 4 May 2003
This specification is approved for use by all Departments and Agencies of the Department of Defense.
The requirements for acquiring the switches described herein shall consist of this specification sheet
and MIL-DTL-83731.
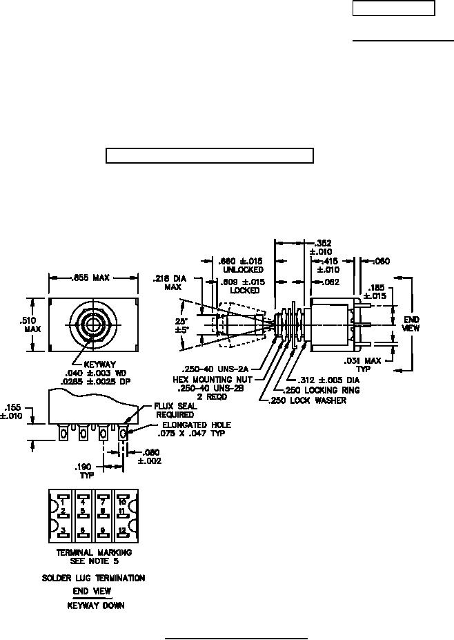
FIGURE 1. Dimensions and configurations.
AMSC N/A
FSC 5930
For Parts Inquires call Parts Hangar, Inc (727) 493-0744
© Copyright 2015 Integrated Publishing, Inc.
A Service Disabled Veteran Owned Small Business