
MIL-DTL-83731/14D
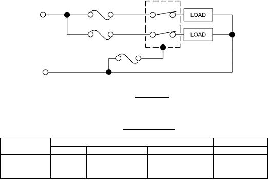
Electrical endurance, electrical overload, intermediate current, logic level life, and temperature rise. Multipole
switches are to be tested with a load on each pole and with the same polarity on adjacent poles in accordance with
figure 2.
FIGURE 2. Test circuit.
TABLE I. Electrical ratings.
High level (current in amperes)
Logic level
Type of load
28 V dc
125 V ac, 60 Hz
115 V ac, 400 Hz
5 V dc
0.010 ampere
5
5
5
Resistive
---
2
2
2
Inductive
---
1
1
1
Lamp
Resistive load (dc and ac): Switches shall make and break the rated resistive load for 10,000 operating cycles at
room ambient pressure and a temperature of 71°C +4°C -0°C.
Inductive load (dc and ac): Switches shall make and break the rated inductive load for 10,000 operating cycles at
room ambient temperature and pressure.
Lamp load: Switches shall make and break the rated lamp load for 10,000 operating cycles.
Logic level load: 10,000 cycles at an actuation rate of 10-18 cycles per minute with no "stick" or "misses" allowed
when tested in accordance with EIA RS-448-4, method 17 as follows:
Each pair of switch contacts shall be tested using a 5.0 ±0.05 V dc, 10 ± 1 mA resistive load. During each
closure of the contacts, the voltage drop across the switch terminals shall be monitored for a duration of no
less than 50 percent of each contact static closure. The switch contacts need not be monitored until 10 ms
after the initial contact closure to exclude any contact bounce. During each opening of the contacts, the
voltage drop across the switch terminals shall be monitored for a duration of no less than 50 percent of each
contact opening.
A voltage of 2.1 volts or greater across the switch terminals shall constitute a contact "miss", (failure to
properly close the circuit). A voltage drop of less than 90 percent of the open-circuit voltage shall constitute
a contact "stick" (failure to properly open the circuit).
The monitoring device shall either record the contact closures at which "sticks" or "misses" occur, or
discontinue the test when "sticks" or "misses" occur.
3
For Parts Inquires call Parts Hangar, Inc (727) 493-0744
© Copyright 2015 Integrated Publishing, Inc.
A Service Disabled Veteran Owned Small Business