
INCH-POUND
MIL-DTL-83731/14D
7 March 2007
SUPERSEDING
MIL-DTL-83731/14C
28 January 2003
DETAIL SPECIFICATION SHEET
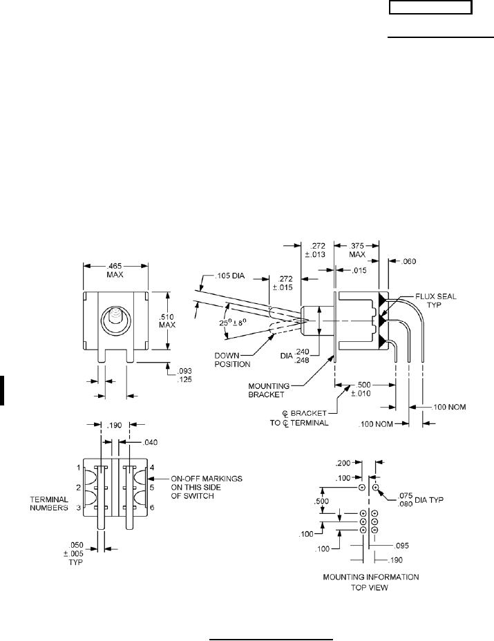
SWITCHES, TOGGLE, MINIATURE, RIGHT ANGLE (VERTICAL), PCB MOUNT,
DOUBLE POLE, LEVER SEAL, FLUX SEAL
This specification is approved for use by all Departments
and Agencies of the Department of Defense.
The requirements for acquiring the product described herein
shall consist of this specification and MIL-DTL-83731.
.050
.150
FIGURE 1. Configuration and dimensions.
AMSC N/A
FSC 5930
For Parts Inquires call Parts Hangar, Inc (727) 493-0744
© Copyright 2015 Integrated Publishing, Inc.
A Service Disabled Veteran Owned Small Business