
MIL-DTL-83731/12D
REQUIREMENTS:
Design and construction: See figures 1 and 2.
Material and finish. Bushings shall be brass, nickel plated. Toggle lever shall be brass, bright chrome plated.
Frame shall be stainless steel. The contacts shall be gold plate over nickel over silver over brass.
Mounting hardware: Each switch shall be supplied with two hexagon nuts, one internal-tooth lockwasher in
accordance with the appendix of MIL-DTL-83731, one locking ring (see figure 3). The locking ring shall be
brass with bright nickel finish.
Weight: 0.019 pound maximum.
Electrical ratings: See table I.
Strength of terminals: Method 211 of MIL-STD-202, test condition A. The applied force shall be one pound.
Strength of toggle lever, pivot, and lever stop: Test (a) shall use a 10 pound load; test (b) shall use a 8 pound
load.
Dielectric withstanding voltage: Test at atmospheric pressure only.
Mechanical endurance: 10,000 cycles at -25°C +0°C, -4°C, and 10,000 cycles at 71° +4°, -0°C.
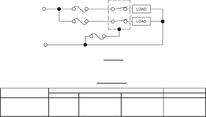
Electrical endurance, electrical overload, intermediate current, logic level life, and temperature rise. Multipole
switches are to be tested with a load on each pole and with the same polarity on adjacent poles in accordance with
figure 4.
FIGURE 4. Test circuit.
TABLE I. Electrical ratings.
High level (current in amperes)
Logic level
Type of load
28 V dc
125 V ac, 60 Hz
115 V ac, 400 Hz
5 V dc
0.010 ampere
5
5
5
Resistive
---
2
2
2
Inductive
---
1
1
1
Lamp
4