
MIL-DTL-83731/12D
Inches
mm
Inches
mm
Inches
mm
Inches
mm
Inches
mm
.001
0.03
.031
0.79
.075
1.91
.225
5.72
.410
10.41
.002
0.05
.032
0.81
.080
2.03
.250
6.35
.430
10.92
.003
0.08
.040
1.02
.115
2.90
.253
6.43
.465
11.81
.005
0.13
.046
1.17
.155
3.94
.300
7.62
.468
11.89
.010
0.25
.047
1.19
.185
4.70
.320
8.13
.510
12.95
.020
0.51
.060
1.52
.189
4.80
.375
9.52
.577
14.66
.021
0.53
.065
1.65
.190
4.83
.400
10.16
.685
17.40
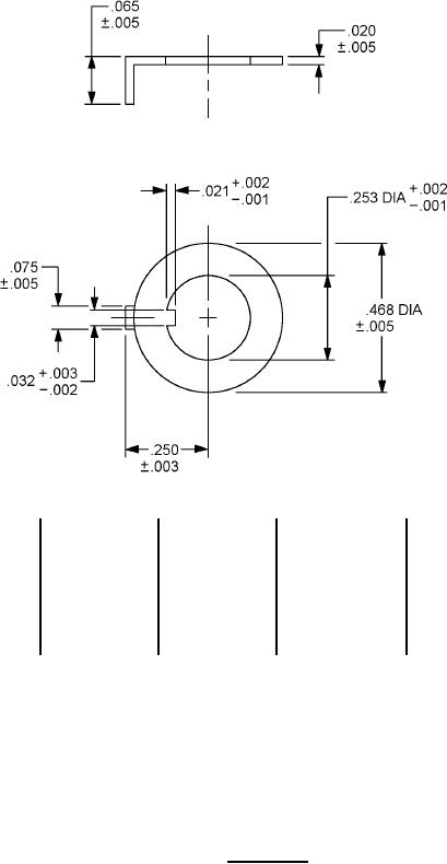
NOTES:
1.
Dimensions are in inches.
2.
Metric equivalents are given for general information only.
3.
Unless otherwise specified, tolerance is ± .005 (0.13 mm).
4.
Direction of internal mechanism movement is opposite to direction of toggle movement.
FIGURE 3. Locking ring.
3