emilspec
An Integrated Publishing, Inc. Site
eMilSpec
An Integrated Publishing Website
MIL-DTL-83731-10 Switches, Toggle, Miniature, Lever Seal, Panel Seal, Double Pole
Pages
1
-
2
-
3
-
4
-
5
-
6
-
7
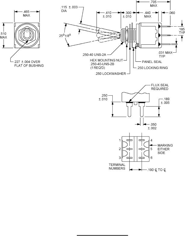
MIL-DTL-83731/10D
FIGURE
2. Printed circuit termination.
2