
INCH-POUND
MIL-DTL-83731/10D
28 January 2003
SUPERSEDING
MIL-S-83731/10C
8 April 1988
DETAIL SPECIFICATION SHEET
SWITCHES, TOGGLE, MINIATURE, LEVER SEAL, PANEL SEAL, DOUBLE POLE
This specification is approved for use by all Departments
and Agencies of the Department of Defense.
The requirements for acquiring the product described herein
shall consist of this specification and MIL-DTL-83731.
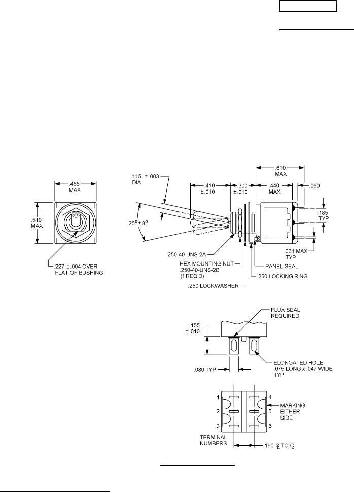
FIGURE 1. Solder lug termination.
AMSC N/A
1 of 7
FSC 5930
DISTRIBUTION STATEMENT A. Approved for public release; distribution is unlimited.