
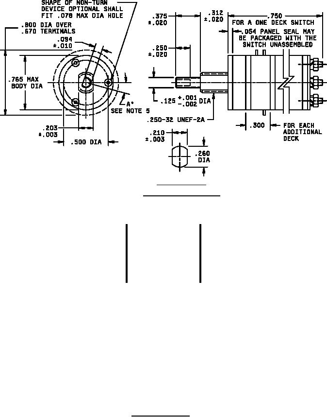
MIL-DTL-3786/41A
MOUNTING HOLE
"F" CONSTRUCTION STYLE
(EXPLOSION-PROOF, CLOSED CONSTRUCTION
WITH (SEALED SHAFT AND BUSHING)
INCHES
MM
INCHES
MM
INCHES
MM
.001
.03
.125
3.18
.312
7.92
.002
.05
.203
5.16
.375
9.53
.003
.08
.210
5.33
.500
12.70
.010
.25
.250
6.35
.670
17.02
.020
.51
.260
6.60
.700
17.78
.094
2.39
.300
7.62
.765
19.43
NOTES:
1. Dimensions are in inches.
2. Metric equivalents (to the nearest .01 mm) are given for general information only and are based upon
1 inch = 25.4 mm.
3. Unless otherwise specified, tolerances are ±.015 (.38 mm) and ±3° on angles (non-accumulative).
4. Maximum weight: one deck switch is 16 grams. Add 2.5 max grams for each additional deck and
based upon 1 oz = 28.35 grams.
5. Shaft flat angle A° is the angle between a line through the center of the shaft, perpendicular to the
mounting bushing flats and another line through the center of the shaft and perpendicular to the shaft
flat, with switch in position number 1. This refers to panel position; see figure 2 for terminal location.
FIGURE 1. Style SR41 switch - Continued.
2