
MIL-DTL-15743/17B
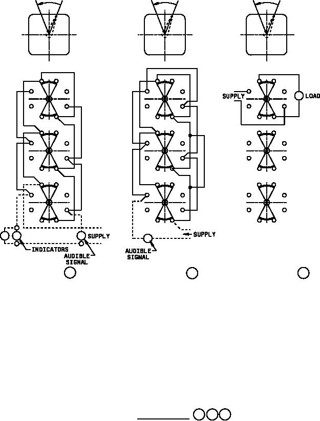
A. (see table III) 12
B. (see table III) 13
C. (see table III) 14
NOTE: Wiring diagrams are rear view of switch, handle moves "RIGHT ON"
(as viewed from front of switch).
FIGURE 9. Wiring diagram. 12, 13, 14
7
For Parts Inquires call Parts Hangar, Inc (727) 493-0744
© Copyright 2015 Integrated Publishing, Inc.
A Service Disabled Veteran Owned Small Business