
INCH POUND
MIL-DTL-15291/5B
6 February 2006
SUPERSEDING
MIL-S-15291/5A(SH)
22 July 1991
DETAIL SPECIFICATION SHEET
SWITCHES, ROTARY, SNAP ACTION CLASS 3SR FRONT MOUNTED,
BACK CONNECTED
This specification is approved for use by all Departments and Agencies of the Department of Defense.
The complete requirements for acquiring the switch described herein shall consist of this specification
and the latest issue of MIL-DTL-15291.
NOTES:
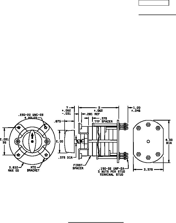
1. Dimensions are in inches.
2. Unless otherwise specified, tolerance is ± 0.015.
FIGURE 1. Class 3SR switch (up to 6 studs).
AMSC N/A
FSC 5930
For Parts Inquires call Parts Hangar, Inc (727) 493-0744
© Copyright 2015 Integrated Publishing, Inc.
A Service Disabled Veteran Owned Small Business