
MIL-DTL-15291/2B
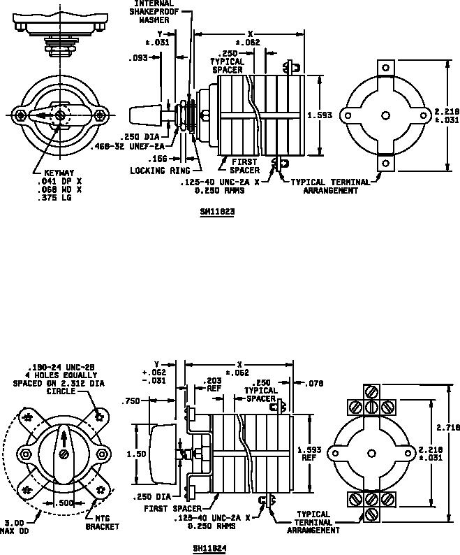
FIGURE 2. Class 1SR switch, single-hole mount (non-turn locking pin).
FIGURE 3. Class 1 SR switch, 4-hole mount.
2
For Parts Inquires call Parts Hangar, Inc (727) 493-0744
© Copyright 2015 Integrated Publishing, Inc.
A Service Disabled Veteran Owned Small Business