
INCH-POUND
MIL-DTL-15291/2B
6 February 2006
SUPERCEDING
MIL-S-15291/2A(SH)
22 July 1991
DETAIL SPECIFICATION SHEET
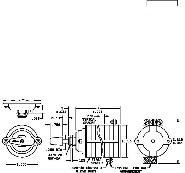
SWITCHES, ROTARY, SNAP ACTION CLASS 1SR FRONT MOUNTED, SIDE CONNECTED
This specification is approved for use by all Departments and Agencies of the Department of Defense.
The complete requirements for acquiring the switch described herein shall consist of this specification and
the latest issue of MIL-DTL-15291.
NOTE
1. Dimensions are in inches
2. Unless otherwise specified, tolerance is plus or minus 0.015
FIGURE 1 Class 1SR switch, single-hole mount (non-turn pin)
AMSC N/A
FSC 5930
For Parts Inquires call Parts Hangar, Inc (727) 493-0744
© Copyright 2015 Integrated Publishing, Inc.
A Service Disabled Veteran Owned Small Business