
MIL-PRF-8805/84F
Can be replaced by
MS25082-C20
Can be replaced by NASM 35333-134
M8805/84-003
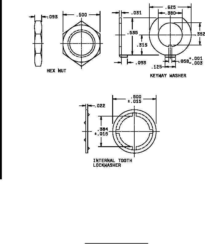
FIGURE 1. Dimensions and configurations - Continued.
3
For Parts Inquires call Parts Hangar, Inc (727) 493-0744
© Copyright 2015 Integrated Publishing, Inc.
A Service Disabled Veteran Owned Small Business