
INCH-POUND
MIL-PRF-8805/82E
31 January 2006
SUPERSEDING
MIL-PRF-8805/82D
19 September 2000
PERFORMANCE SPECIFICATION SHEET
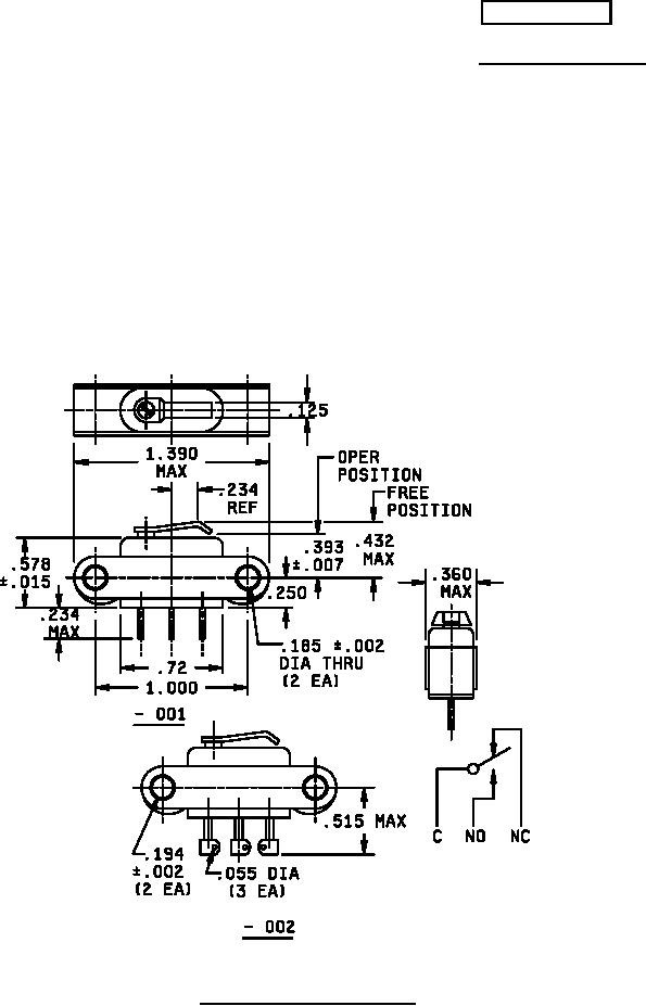
SWITCHES, SENSITIVE, LEAF, SPDT, 4 AMPERES, HERMETIC
This specification is approved for use by all Departments and Agencies of the Department of Defense.
The requirements for acquiring the product described herein shall consist of this specification and MIL-PRF-8805.
FIGURE 1. Dimensions and configuration.
AMSC N/A
FSC 5930