
MIL-PRF-8805/74L
AWG NO.20 WIRE LEADS PER
SAE-AS22759/9
Inches
mm
Inches
mm
Inches
mm
0.003
.0762
0.213
5.410
0.510
12.954
0.035
.8890
0.223
5.664
0.540
13.716
0.041
1.041
0.300
7.620
0.869
22.073
0.061
1.549
0.312
7.924
0.880
22.352
0.069
1.752
0.350
8.890
0.931
23.647
0.075
1.905
0.391
9.931
71.00
1803.4
0.145
3.683
0.421
10.693
73.00
1854.2
0.175
4.445
0.469
11.913
0.188
4.775
0.500
12.700
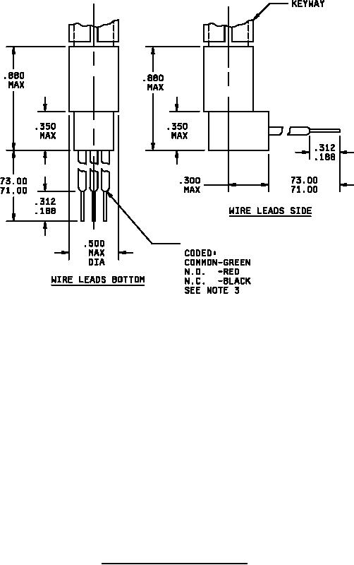
NOTES:
1. Dimensions are in inches.
2. Metric equivalents are given for general information only.
3. Exact shape of switch is optional within dimensions specified.
4. Alternative base metals and protective finishes, as approved by the qualifying activity, may be
utilized for lockwasher. Dimensions shall be in accordance with the referenced hardware.
FIGURE 1. Dimensions and configurations continued.
2
For Parts Inquires call Parts Hangar, Inc (727) 493-0744
© Copyright 2015 Integrated Publishing, Inc.
A Service Disabled Veteran Owned Small Business