
INCH-POUND
MIL-PRF-8805/73K
20 June 2006
SUPERSEDING
MIL-S-8805/73J
31 May 2001
PERFORMANCE SPECIFICATION SHEET
SWITCHES, SENSITIVE, SPDT, PLUNGER,
4 AMPERES, HERMETICALLY SEALED CONTACTS, RESILIENT SEALED PLUNGER
This specification is approved for use by all Departments
and Agencies of the Department of Defense.
The complete requirements for acquiring the switch described herein shall consist of this specification and
the latest issue of MIL-PRF-8805.
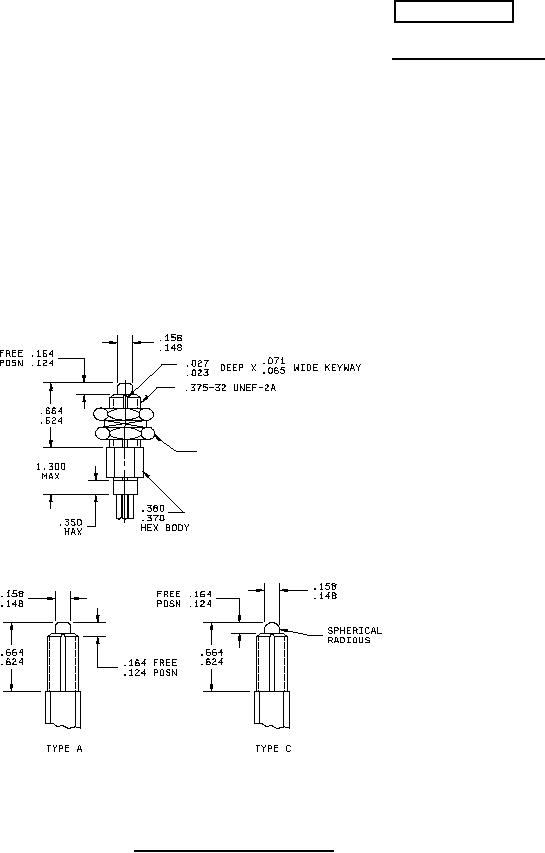
MOUNTING HARDWARE HEX NUT MS21340-04(2) REQD
INTERNAL TOOTH LOCKWASHER NASM35333 OR
EQUIVALENT SEE NOTE 3, (1) REQD KEYWASHER
MS25081-C4 (1) REQD
FIGURE 1. Dimensions and configuration.
AMSC N/A
FSC 5930
For Parts Inquires call Parts Hangar, Inc (727) 493-0744
© Copyright 2015 Integrated Publishing, Inc.
A Service Disabled Veteran Owned Small Business