
INCH-POUND
MIL-PRF-8805/72L
4 March 2008
SUPERSEDING
MIL-PRF-8805/72K
11 October 2002
PERFORMANCE SPECIFICATION SHEET
SWITCHES, SENSITIVE, SPDT, PLUNGER,
4 AMPERES, HERMETICALLY SEALED CONTACTS, UNSEALED PLUNGER
This specification sheet is approved for use by all Departments and Agencies of the Department of Defense.
The requirements for acquiring the product described herein shall consist of this specification sheet and MIL-PRF-8805.
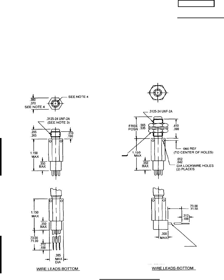
MOUNTING HARDWARE HEX NUTS
MS25082-C5 OR EQUIVALENT CROSS
DRILLED .047 DIA HOLE (3) PLACES (2)
REQUIRED INTERNAL TOOTH
LOCKWASHER NASM35333-75 OR
EQUIVALENT SEE NOTE 5, (1)
REQUIRED
AWG NO 20 WIRE LEADS PER
SAE-AS22759/9 OR EQUIVALENT
CODED
COMMON GREEN
NO RED
NC - BLACK
FIGURE 1. Dimensions and configuration.
AMSC N/A
FSC 5930