
INCH-POUND
MIL-PRF-8805/56G
20 June 2006
SUPERSEDING
MIL-PRF-8805/56F
31 October 2001
PERFORMANCE SPECIFICATION SHEET
SWITCH, ASSEMBLIES, SENSITIVE, INTERLOCK, UNSEALED
This specification is approved for use by all Departments and Agencies of the
Department of Defense.
The complete requirements for acquiring the switch described herein shall consist of this specification and
the latest issue of MIL-PRF-8805.
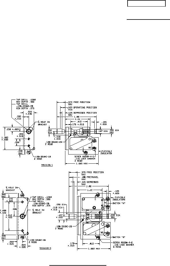
FIGURE 1. Dimensions and configuration.
AMSC N/A
FSC 5930
For Parts Inquires call Parts Hangar, Inc (727) 493-0744
© Copyright 2015 Integrated Publishing, Inc.
A Service Disabled Veteran Owned Small Business