
INCH-POUND
MIL-PRF-8805/55J
3 November 2010
SUPERSEDING
MIL-PRF-8805/55H
25 June 2003
PERFORMANCE SPECIFICATION SHEET
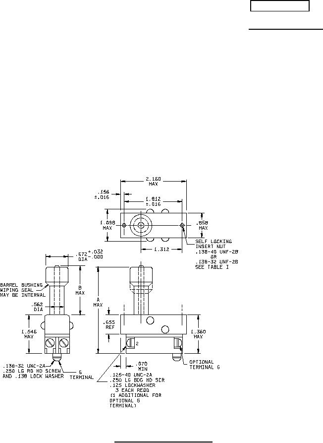
SWITCH, PUSH, MICROPHONE, DPST, NORMALLY OPEN, FOOT OPERATED,
MOMENTARY, UNSEALED AND WATERTIGHT
This specification is approved for use by all Departments and Agencies of the Department of Defense.
The requirements for acquiring the switches described herein shall consist of this specification sheet and
MIL-PRF-8805.
FIGURE 1. Dimensions and configuration.
AMSC N/A
FSC 5930
For Parts Inquires call Parts Hangar, Inc (727) 493-0744
© Copyright 2015 Integrated Publishing, Inc.
A Service Disabled Veteran Owned Small Business