
INCH-POUND
MIL-PRF-8805/4P
22 May 2006
SUPERSEDING
MIL-PRF-8805/4N
25 June 2003
PERFORMANCE SPECIFICATION SHEET
SWITCHES, SENSITIVE, SPDT, UNSEALED
This specification is approved for use by all Departments
and Agencies of the Department of Defense.
The complete requirements for acquiring the switch described herein shall consist of this specification and
the latest issue of MIL-PRF-8805.
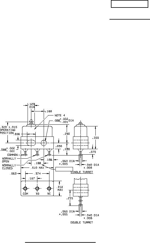
SEE NOTE 4
FIGURE 1. Switches, sensitive, SPDT, unsealed.
AMSC N/A
Page 1 of 9
FSC 5930
For Parts Inquires call Parts Hangar, Inc (727) 493-0744
© Copyright 2015 Integrated Publishing, Inc.
A Service Disabled Veteran Owned Small Business