
INCH-POUND
MIL-PRF-8805/38H
6 December 2012
SUPERSEDING
MIL-PRF-8805/38G
4 October 2004
PERFORMANCE SPECIFICATION SHEET
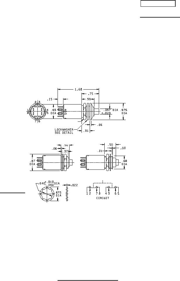
SWITCHES, PUSH, MOMENTARY, 4 CIRCUIT, 4 AMPERES OR LOW LEVEL, DUSTTIGHT
This specification is approved for use by all Departments and Agencies of the Department of Defense.
The complete requirements for acquiring the switches described herein shall consist of this specification
and the latest issue of MIL-PRF-8805.
Hex Nut MS25082-B11
or equivalent
TYPE C MOUNTING
TYPE F MOUNTING
TYPE G MOUNTING
LOCKWASHER
NASM35333-138 or equivalent
Inches
mm
Inches
mm
Inches
mm
Inches
mm
Inches
mm
.010
0.25
.055
1.40
.25
6.4
.50
12.7
.75
19.1
.020
0.51
.06
1.5
.31
7.8
.640
16.26
.87
22.1
.022
0.56
.109
2.77
.37
9.4
.65
16.5
.875
22.23
.03
0.8
.15
3.8
.375
9.53
.68
17.2
1.68
42.7
NOTES:
1. Dimensions are in inches.
2. Unless otherwise stated, tolerances are ±.02 (0.51 mm) for two place decimals and ±.005 (0.13 mm)
for three place decimals.
3. The circuit and terminal arrangement shall be permanently and legibly marked on the switch case.
4. Metric equivalents are given for general information only.
5. Mounting hardware has .625-24 UNEF02A external thread and is removable for installation.
6. Alternative base metals and protective finishes, as approved by the qualifying activity, may be utilized
for hardware material
FIGURE 1. Dimensions and configurations.
AMSC N/A
FSC 5930