
INCH-POUND
MIL-PRF-8805/20N
3 March 2008
SUPERSEDING
MIL-PRF-8805/20M
17 March 2005
PERFORMANCE SPECIFICATION SHEET
SWITCHES, PUSH, MOMENTARY, 2 CIRCUIT, UNSEALED AND SEALED
This specification is approved for use by all
Departments and Agencies of the Department of Defense.
The complete requirements for acquiring the switches described herein shall consist of this specification
and the latest issue of MIL-PRF-8805.
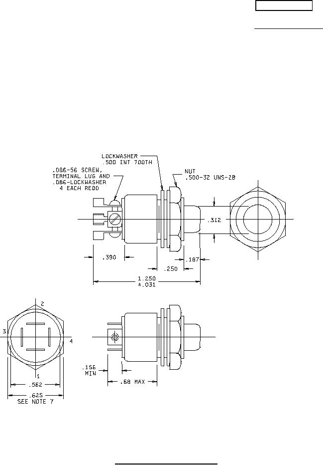
ALTERNATE CONFIGURATION
TERMINAL HARDWARE
SUPPLIED BUT NOT ATTACHED
FIGURE 1. Dimensions and configurations.
AMSC N/A
FSC 5930
For Parts Inquires call Parts Hangar, Inc (727) 493-0744
© Copyright 2015 Integrated Publishing, Inc.
A Service Disabled Veteran Owned Small Business