
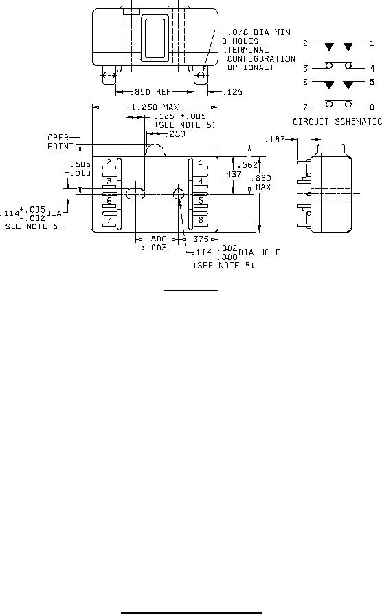
MIL-PRF-8805/15G
MS25349-1
Inches
mm
Inches
mm
Inches
mm
.002
0.05
.187
4.75
.505
12.83
.003
0.08
.218
5.54
.515
13.08
.005
0.13
.220
5.59
.562
14.27
.010
0.25
.250
6.35
.850
21.59
.031
0.71
.296
7.52
.890
22.61
.070
1.78
.375
9.53
.620
15.75
.114
2.90
.437
11.10
1.250
31.75
.125
3.18
.500
12.70
1.750
44.45
NOTES:
1.
Dimensions are in inches.
Unless otherwise stated, tolerance is ±.015 (0.38 mm).
2.
3.
Exact shape of switch optional provided dimensions specified are not exceeded.
4.
Metric equivalents are given for general information only.
5.
Dimensions shown are case mounting holes. Cover mounting holes may exceed these dimensions.
6.
MS25348 and MS25349 were superseded by MIL-PRF-8805/15, MS25348 and MS25349 Part
Numbers (PINS) were retained.
FIGURE 1. Dimensions and configurations (continued)
2