
INCH-POUND
MIL-PRF-8805/14F
4 October 2004
SUPERSEDING
MIL-PRF-8805/14E
3 September 1999
PERFORMANCE SPECIFICATION SHEET
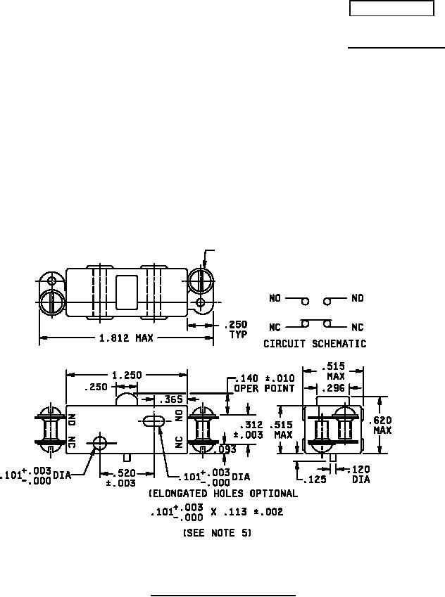
SWITCHES, SENSITIVE-MAINTAINED, 2 CIRCUIT, 10 AMPERES, UNSEALED
This specification is approved for use by all Depart-
ments and Agencies of the Department of Defense.
The complete requirements for acquiring the switches described herein
shall consist of this specification and the latest issue of MIL-PRF-8805.
SCREW, AN508-4-2, NASM35214 OR EQUIVALENT
WASHER, AN936-A4B OR EQUIVALENT
4 EACH REQUIRED. (SEE NOTE 6)
MS25347-I
FIGURE 1. Dimensions and configurations.
AMSC N/A
FSC 5930