
INCH-POUND
MIL-PRF-8805/109C
12 December 2006
SUPERSEDING
MIL-PRF-8805/109B
31 October 2001
PERFORMANCE SPECIFICATION SHEET
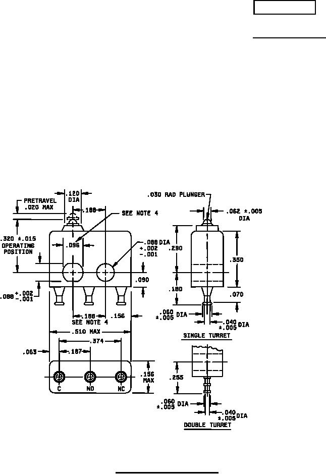
SWITCH, SENSITIVE, SPDT, UNSEALED, 7 AMPERES, 0.156 WIDTH BASE
This specification is approved for use by all Departments and Agencies of the
Department of Defense.
The requirements for acquiring the product described herein shall consist of this specification and the
latest issue of MIL-PRF-8805.
FIGURE 1. Configuration and dimensions.
AMSC N/A
FSC 5930
For Parts Inquires call Parts Hangar, Inc (727) 493-0744
© Copyright 2015 Integrated Publishing, Inc.
A Service Disabled Veteran Owned Small Business