
INCH-POUND
MIL-PRF-8805/1E
31 October 2001
SUPERSEDING
MIL-PRF-8805/1D
24 September 1969
PERFORMANCE SPECIFICATION SHEET
SWITCHES, SENSITIVE, SPDT, UNSEALED
This specification forms a part of MIL-PRF-8805, dated 23 January 1998, and is
approved for use by all Departments and Agencies of the Department of Defense.
The requirements for acquiring the product described herein shall
consist of this specification and MIL-PRF-8805.
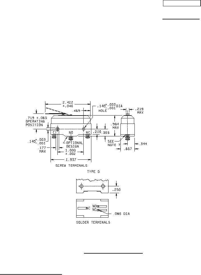
FIGURE 1. Dimensions and configurations.
AMSC N/A
1 of 9
FSC 5930
DISTRIBUTION STATEMENT A. Approved for public release; distribution is unlimited.