
INCH-POUND
MIL-PRF-83504/8C
23 February 2001
SUPERSEDING
MIL-PRF-83504/8B
27 October 1993
PERFORMANCE SPECIFICATION SHEET
SWITCHES, DUAL IN-LINE PACKAGE (DIP), RECESSED ROCKER ACTUATOR,
STANDARD PROFILE, DOUBLE POLE, DOUBLE THROW STATIONS, SEALED BASE
This specification is approved for use by all Depart-
ments and Agencies of the Department of Defense.
The requirements for acquiring the product described herein shall consist
of this specification sheet and the issue of the following specification
listed in that issue of the Department of Defense Index of Specifications
and Standards (DODISS) specified in the solicitation: MIL-PRF-83504.
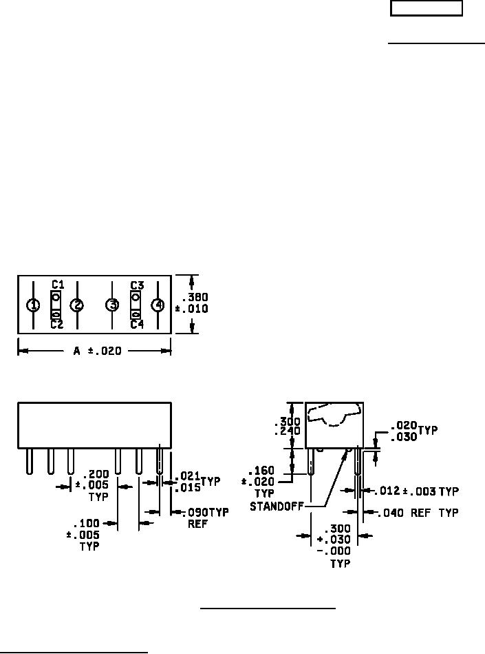
FIGURE 1. Dimensions and configuration.
AMSC N/A
1 of 3
FSC 5930
DISTRIBUTION STATEMENT A. Approved for public release; distribution is unlimited.