
MIL-PRF-83504/4E
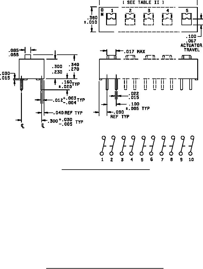
CIRCUIT DIAGRAM - 5 STATION SWITCH
As viewed in the position shown
(Closed position)
Inches
mm
Inches
mm
NOTES
.003
0.08
.067
1.70
1. Dimensions are in inches. Metric equivalents are
.004
0.10
.085
2.16
given for information only.
.005
0.13
.090
2.29
2. Each switch station is shown in the "ON" position.
.010
0.25
.100
2.54
Continuity is broken (switch is turned "OFF") when the
slider actuator is away from the station identification
.012
0.30
.160
4.06
number.
.015
0.38
.230
5.84
3. Each switch position shall be numbered as shown.
.020
0.51
.270
6.86
4. Exact shape of switch is optional, provided outline
.022
0.56
.300
7.62
dimensions are not exceeded.
.030
0.76
.340
8.64
5. Design of terminals and standoffs are optional
.040
1.02
.370
9.40
.055
1.40
.405
10.29
FIGURE 1. Dimensions and configuration, single pole stations (SPST) - Continued.
3