
INCH-POUND
MIL-PRF-24236/11J
2 February 2007
SUPERSEDING
MIL-PRF-24236/11H
5 April 2006
PERFORMANCE SPECIFICATION SHEET
SWITCHES, THERMOSTATIC, (BIMETALLIC), TYPE I,
HERMETICALLY SEALED, SINGLE POLE,
SINGLE THROW (SPST), 1 AMPERE
This specification is approved for use by Departments and Agencies of the Department of Defense.
The requirements for acquiring the product described herein shall consist of this specification sheet MIL-PRF-24236.
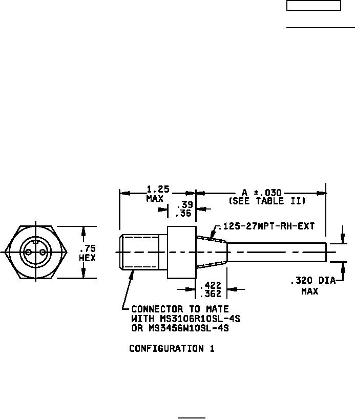
FIGURE 1. Switches.
AMSC N/A
FSC 5930
For Parts Inquires call Parts Hangar, Inc (727) 493-0744
© Copyright 2015 Integrated Publishing, Inc.
A Service Disabled Veteran Owned Small Business