
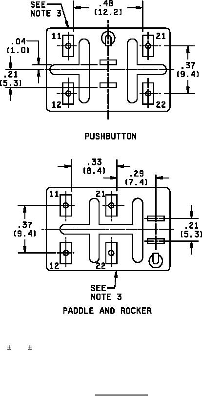
MIL-PRF-22885/92B
NOTES:
1. Dimensions are in inches.
2. Tolerances are .031 ( 0.79 mm), unless otherwise specified.
3. Manufacturer's logo on this side of housing.
4. Metric equivalents are given for general information only and are based upon 1.00 inch = 25.4 mm.
5. Metric equivalents are in parentheses.
FIGURE 3. Terminal location .
5
For Parts Inquires call Parts Hangar, Inc (727) 493-0744
© Copyright 2015 Integrated Publishing, Inc.
A Service Disabled Veteran Owned Small Business