
MIL-PRF-22885/90C
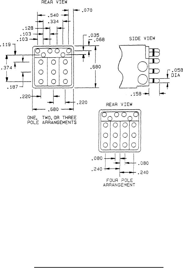
Inches
mm
Inches
mm
0.89
.158
4.01
.035
1.47
.187
4.75
.058
1.73
.220
5.59
.068
1.78
.240
6.10
.070
2.03
.334
8.48
.080
2.62
.374
9.50
.103
3.02
.540
13.72
.119
.128
3.25
.680
17.27
NOTES:
1. Dimension are in inches.
2. Metric equivalents are given for general information only.
3. Unless otherwise specified, tolerance is ±.010 (0.25 mm).
4. Terminal positions and dimensions for four pole arrangements are the same as for three pole arrangements
except as specified.
FIGURE 5. Lamp and switch printed circuit pin terminal positions and dimensions.
7
For Parts Inquires call Parts Hangar, Inc (727) 493-0744
© Copyright 2015 Integrated Publishing, Inc.
A Service Disabled Veteran Owned Small Business