
INCH POUND
MIL-PRF-22885/83E
17 March 2001
SUPERSEDING
MIL-S-22885/83D
27 June 1990
PERFORMANCE SPECIFICATION SHEET
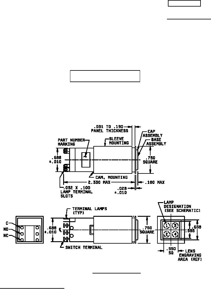
SWITCH, PUSH BUTTON, ILLUMINATED,
(2.330 LONG X .750 SQUARE)
INACTIVE FOR NEW DESIGN
AFTER 27 JUNE 1990
This specification sheet is approved for use by all Departments
and Agencies of the Department of Defense.
The requirements for acquiring the indicator lights described herein shall
consist of this specification sheet and MIL-PRF-22885.
FIGURE 1. Design and construction.
AMSC N/A
Page 1 of 13
FSC 5930
DISTRIBUTION STATEMENT A. Approved for public release; distribution is unlimited.
For Parts Inquires call Parts Hangar, Inc (727) 493-0744
© Copyright 2015 Integrated Publishing, Inc.
A Service Disabled Veteran Owned Small Business