
INCH-POUND
MIL-PRF-22885/12H
4 June 2010
SUPERSEDING
MIL-PRF-22885/12G
26 April 2004
PERFORMANCE SPECIFICATION SHEET
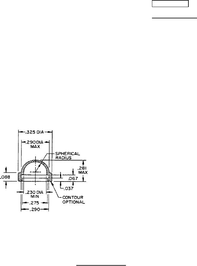
SWITCH, SUBASSEMBLY, COLOR FILTERS
(FOR SWITCH, PUSH BUTTON, ILLUMINATED)
This specification sheet is approved for use by all Departments and Agencies of the Department of
Defense.
The requirements for acquiring the color filters described herein shall consist of this specification sheet
and MIL-PRF-22885.
Inches
mm
.037
0.94
.067
1.70
.088
2.24
.230
5.84
.275
6.99
.281
7.14
.290
7.37
.325
8.26
NOTES:
1. Dimensions are in inches.
2. Unless otherwise specified, tolerance is ±.010 (0.25 mm).
3. Metric equivalents are given for general information only.
FIGURE 1. Design and construction.
AMSC N/A
FSC 5930
For Parts Inquires call Parts Hangar, Inc (727) 493-0744
© Copyright 2015 Integrated Publishing, Inc.
A Service Disabled Veteran Owned Small Business