
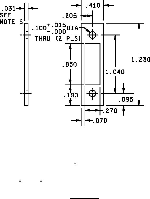
MIL-PRF-22710/17J
NOTES:
1. Dimensions are in inches.
2. Millimeters are in parentheses.
3. Metric equivalents are given for general information only.
4. Unless otherwise specified, tolerance is 0.05 (0.13) for three place decimals.
5. Panel seal gasket material shall be made of a material that allows the switch to meet the
performance requirements of this specification.
6. For the RFI shielded switch, material thickness of the conductive panel seal gasket shall be
.062 .015 (1.57 0.38)
FIGURE 2. Panel seal gasket.
3