
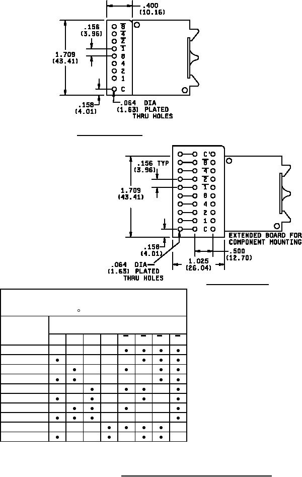
MIL-PRF-22710/14F
MODULE H OR H1
MODULE J OR J1
TRUTH TABLE
(Circuit configuration 6)
36 INDEXING
DIAL
COMMON C
MARKING
CONN. TO:
1
2
4
8
1
2
4
8
NOTES:
0
1. Dimensions are in inches.
1
2. Metric equivalents are in
2
parentheses.
3
3. Metric equivalents are given for
4
general information only and are
5
based upon 1 inch = 2.54 mm.
6
4. Where specified, C' is common to
7
C and is used for component
mounting.
8
9
FIGURE 3. Module and circuit configuration - Continued.
9