
INCH-POUND
MIL-DTL-9395/6C
3 October 2006
SUPERSEDING
MIL-DTL-9395/6B
30 May 2001
DETAIL SPECIFICATION SHEET
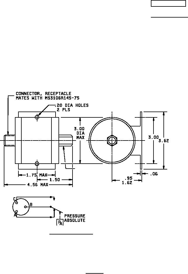
SWITCHES, PRESSURE (ABSOLUTE), TYPE I, SPDT, 3 AMPERES
This specification is approved for use by all Departments and Agencies of the Department of Defense.
The requirements for acquiring the switches described herein shall consist of this document and MIL-
DTL-9395.
PRESSURE PORT
SAE-AS5202
Inches
mm
.06
1.52
.20
5.08
.95
24.13
1.50
38.10
1.62
41.15
1.75
44.45
3.00
76.20
3.62
91.95
WIRING SCHEMATIC
4.56
115.82
NOTES:
1. Dimensions are in inches. Metric equivalents (to the nearest 0.01 mm) are given for general
information only and are based upon 1 inch = 25.4 mm.
2. Unless otherwise specified, tolerance is ± .02 (0.51 mm).
3. Exact shape of switch optional provided dimensions specified are not exceeded.
FIGURE1. Swithces.
AMSC N/A
FSC 5930
For Parts Inquires call Parts Hangar, Inc (727) 493-0744
© Copyright 2015 Integrated Publishing, Inc.
A Service Disabled Veteran Owned Small Business