
INCH-POUND
MIL-DTL-9395/49
24 November 2014
DETAIL SPECIFICATION SHEET
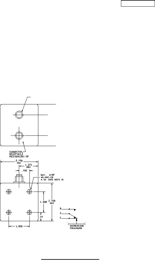
SWITCH, PRESSURE, ABSOLUTE TYPE I, 5 AMPERES, 24.5 ± .5 INCHES HG
This specification is approved for use by all Departments and Agencies of the Department of Defense.
The requirements for acquiring the switches described herein shall consist of this document and MIL-DTL-9395.
PRESSURE PORT
PER SAE-AS5202
(SEE NOTE 6)
Inches
mm
.138
3.51
.750
19.05
1.375
34.92
1.500
38.10
2.75
69.8
3.00
76.2
FIGURE 1. Dimensions and configuration.
AMSC N/A
FSC 5930
For Parts Inquires call Parts Hangar, Inc (727) 493-0744
© Copyright 2015 Integrated Publishing, Inc.
A Service Disabled Veteran Owned Small Business