
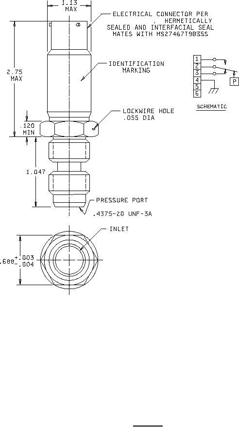
MIL-DTL-9395/41D
MIL-DTL-38999
SAE-AS4396E04
Inches
mm
Inches
mm
Inches
mm
.001
0.03
.03
0.8
.420
10.67
.002
0.05
.031
0.79
.481
12.22
.003
0.08
.055
1.40
.688
17.47
.004
0.10
.083
2.11
.739
18.77
.005
0.13
.120
3.05
1.019
25.88
.010
0.25
.207
5.26
1.047
26.59
.015
0.38
.250
6.35
1.13
28.7
WEIGHT: NOT TO EXCEED .25 POUNDS
.016
0.41
.310
7.87
2.75
69.8
.02
0.5
.318
8.08
CONFIGURATION 2
NOTES:
1. Dimensions are in inches.
2. Metric equivalents are given for general information only.
3. Exact shape of switch is optional provided outline dimensions specified are not exceeded and
connector location area is as specified.
4. Schematic shown is for switches with pressure ports exposed to zero pound-force per square inch.
5. Packing groove in accordance with MIL-G-5514.
6. Surface finish 125 roughness height reference, except where otherwise specified.
7. Surface finish in accordance with ASME B46.1.
FIGURE 1. Switches - Continued.
3