
INCH-POUND
MIL-DTL-9395/33C
3 October 2006
SUPERSEDING
MIL-DTL-9395/33B
30 May 2001
DETAIL SPECIFICATION SHEET
SWITCHES, PRESSURE, (DIFFERENTIAL), TYPE III, 5 AMPERES
This specification is approved for use by all Departments and Agencies of the Department of Defense.
The requirements for acquiring the switches described herein shall consist of this document and MIL-
DTL-9395.
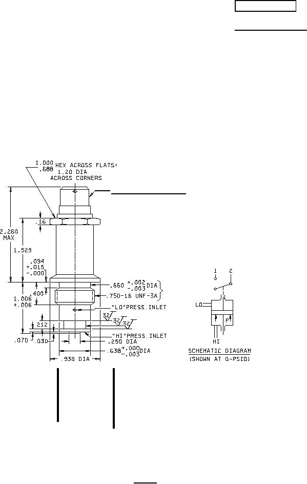
ELECTRICAL INTERFACE
IAW MIL-DTL-26500 HERMETICALLY
SEALED-MATES WITH PLUG
MS24266R-10B-5S
IAW
SAE-AS4395-8
Inches
mm
Inches
mm
Inches
mm
.001
0.03
.094
2.39
.650
16.51
.002
0.05
.160
4.06
.750
19.05
.003
0.08
.212
5.38
.938
23.83
.006
0.15
.250
6.35
1.000
25.40
.015
0.38
.400
10.16
1.006
25.55
.030
0.76
.533
13.54
1.120
28.45
.070
1.78
.638
16.21
1.525
38.74
2.260
57.40
NOTES:
1. Dimensions are in inches.
2. Metric equivalents are given for general information only and are based upon 1.00 inch = 25.4 mm.
3. Unless otherwise specified, tolerances are ± .005 (.13 mm) for three place decimals and .03 (.76 mm)
for two place decimals.
FIGURE 1. Switch.
AMSC N/A
FSC 5930