
INCH-POUND
MIL-DTL-9395/31E
3 October 2006
SUPERSEDING
MIL-DTL-9395/31D
30 May 2001
DETAIL SPECIFICATION SHEET
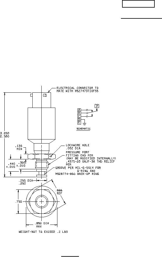
SWITCHES, PRESSURE, (GAGE), TYPE II, 5 AMPERES
This specification is approved for use by all Departments and Agencies of the Department of Defense.
The requirements for acquiring the switches described herein shall consist of this document and MIL-
DTL-9395.
SAE-AS4395-4
SAE-AS4395-4
SAE-AS28775-008
Inches
mm
Inches
mm
.010
0.25
.4375
11.113
.052
1.32
.440
11.18
.120
3.05
.750
19.05
.293
7.44
.866
21.99
.295
7.49
2.500
63.50
.360
9.14
3.050
77.47
Configuration 1
FIGURE 1. Switches.
AMSC N/A
FSC 5930
For Parts Inquires call Parts Hangar, Inc (727) 493-0744
© Copyright 2015 Integrated Publishing, Inc.
A Service Disabled Veteran Owned Small Business