
INCH-POUND
MIL-DTL-9395/26D
3 October 2006
SUPERSEDING
MIL-DTL-9395/26C
30 May 2001
DETAIL SPECIFICATION SHEET
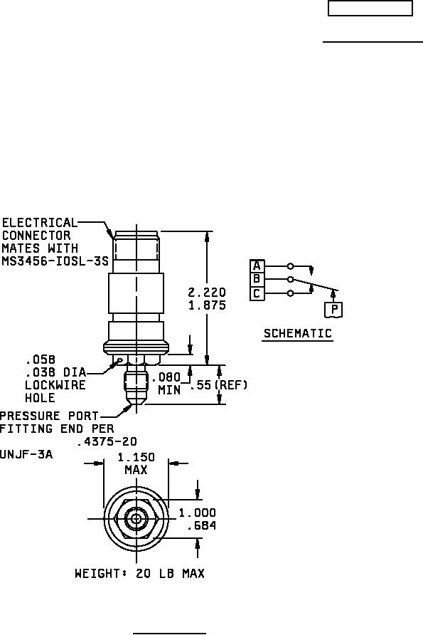
SWITCHES, PRESSURE, ABSOLUTE (TYPE I), 3 AMPERES
This specification is approved for use by all Departments and Agencies of the Department of Defense.
The requirements for acquiring the switches described herein shall consist of this document and MIL-
DTL-9395.
SAE-AS4395-4
Configuration 1.
AMSC N/A
FSC 5930
For Parts Inquires call Parts Hangar, Inc (727) 493-0744
© Copyright 2015 Integrated Publishing, Inc.
A Service Disabled Veteran Owned Small Business