
INCH-POUND
MIL-DTL-9395/1D
3 October 2006
SUPERSEDING
MIL-DTL-9395/1C
30 May 2001
DETAIL SPECIFICATION SHEET
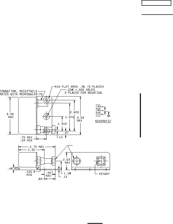
SWITCHES, PRESSURE (GAGE), TYPE II, SPDT, 3 AMPERES
This specification is approved for use by all Departments and Agencies of the Department of Defense.
The requirements for acquiring the switches described herein shall consist of this document and MIL-
DTL-9395.
Inches
mm
Inches
mm
.001
0.03
.668
16.97
.005
0.13
.75
19.05
.010
0.25
.89
22.61
.12
3.05
1.28
32.51
.125
3.18
1.310
33.27
.208
5.28
2.03
51.56
.47
11.94
2.35
59.69
.48
12.19
2.370
60.20
.500
12.70
2.620
66.55
.53
13.46
2.75
69.85
.56
14.22
3.59
91.19
PRESSURE PORT IAW SAE-AS5202
.688 HEX OR WRENCH FLATS
NOTES:
1. Dimension are in inches.
2. Metric equivalents (to the nearest .01 mm) are given for general information only and are based upon
1 inch - 25.4 mm.
3. Unless otherwise specified, tolerances are ± .02 (.51 mm) and .010 (.25 mm).
4. Exact shape of switch optional provided dimensions specified are not exceeded.
FIGURE 1. Switches.
AMSC N/A
FSC 5930