emilspec
An Integrated Publishing, Inc. Site
eMilSpec
An Integrated Publishing Website
MIL-DTL-83731-9 Switches, Toggle, Miniature, Lever Seal, Panel Seal, Single Pole
Pages
1
-
2
-
3
-
4
-
5
-
6
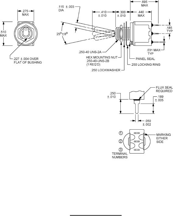
MIL-DTL-83731/9D
FIGURE
2. Printed circuit termination.
2