
MIL-DTL-83731/21B
Inches
mm
Inches
mm
Inches
mm
.001
0.03
.075
1.91
.250
6.35
.002
0.05
.080
2.03
.252
6.40
.003
0.08
.093
2.36
.255
6.48
.005
0.13
.115
2.92
.295
7.49
.010
0.25
.155
3.94
.320
8.13
.020
0.51
.185
4.70
.352
8.94
.031
0.78
.189
4.80
.400
10.16
.040
1.02
.190
4.83
.410
10.41
.046
1.17
.225
5.72
.415
10.54
.047
1.19
.232
5.89
.468
11.89
.052
1.32
.234
5.94
.510
12.95
.060
1.52
.235
5.97
.855
21.72
.065
1.65
.240
6.10
1.375
34.93
1.470
37.34
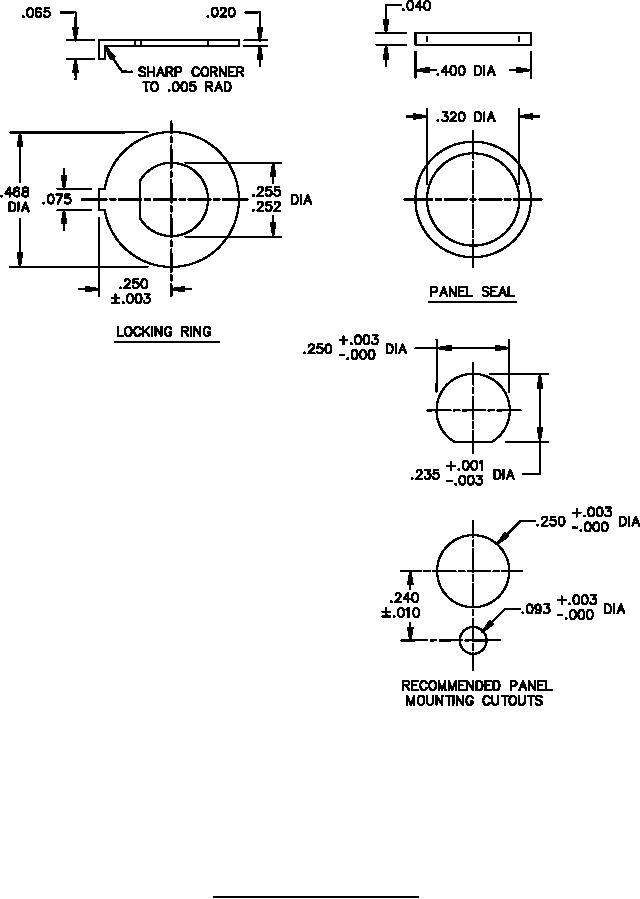
NOTES:
1. Dimensions are in inches.
2. Metric equivalents are given for information only.
3. Unless otherwise specified, tolerance is ± .005 (0.13 mm).
4. Direction of internal mechanism movement is opposite to direction of toggle movement.
5. Mounting bushing is D-shaped.
6. To insure proper sealing by panel seal, locking ring should be used on front of panel only.
7. Terminal identification may be marked on sides of switch body. Terminal numbers 4 through 9
need not be identified.
FIGURE 1. Dimensions and configurations Continued.
3