
INCH-POUND
MIL-DTL-83731/16D
7 March 2007
SUPERSEDING
MIL-DTL-83731/16C
28 January 2003
DETAIL SPECIFICATION SHEET
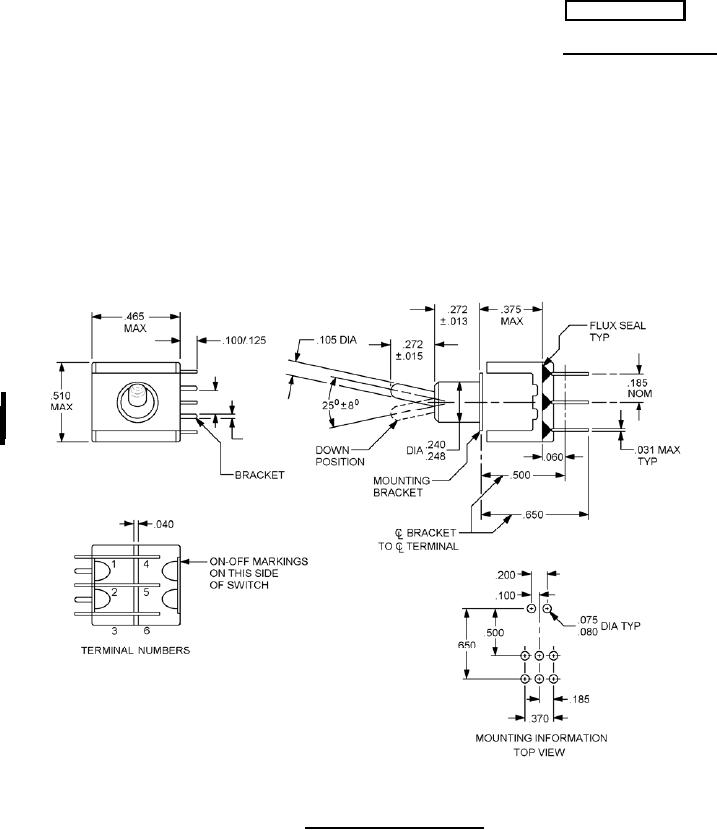
SWITCHES, TOGGLE, MINIATURE, RIGHT ANGLE (HORIZONTAL), PCB MOUNT,
DOUBLE POLE, LEVER SEAL, FLUX SEAL
This specification is approved for use by all Departments and Agencies of the Department of Defense.
The requirements for acquiring the product described herein shall consist of this specification and MIL-DTL-83731.
.150
.050
TYP
FIGURE 1. Configuration and dimensions.
AMSC N/A
FSC 5930