
INCH-POUND
MIL-DTL-83731/13D
7 March 2007
SUPERSEDING
MIL-DTL-83731/13C
28 January 2003
DETAIL SPECIFICATION SHEET
SWITCHES, TOGGLE, MINIATURE, RIGHT ANGLE (VERTICAL), PCB MOUNT,
SINGLE POLE, LEVER SEAL, FLUX SEAL
This specification is approved for use by all Departments and Agencies of the Department of Defense.
The requirements for acquiring the product described herein shall consist of this specification and MIL-DTL-83731.
.050
.150
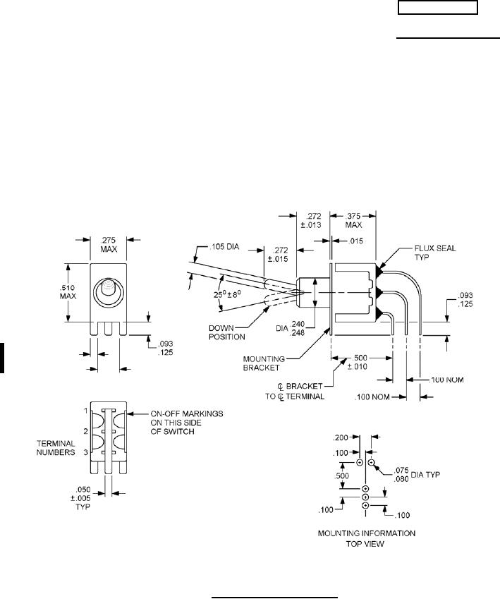
FIGURE 1. Configuration and dimensions.
AMSC N/A
FSC 5930
For Parts Inquires call Parts Hangar, Inc (727) 493-0744
© Copyright 2015 Integrated Publishing, Inc.
A Service Disabled Veteran Owned Small Business