
MIL-DTL-83731/11D
Inches
mm
Inches
mm
Inches
mm
Inches
mm
Inches
mm
Inches
mm
.001
0.03
.015
0.38
.040
1.02
.155
3.94
.275
6.99
.468
11.89
.002
0.05
.020
0.51
.046
1.17
.185
4.70
.312
7.92
.510
12.95
.0025
0.063
.021
0.53
.047
1.19
.189
4.80
.375
9.53
.600
15.24
.003
0.08
.0285
0.723
.065
1.65
.218
5.54
.390
9.91
.609
15.47
.005
0.13
.031
0.79
.075
1.91
.250
6.35
.391
9.93
.660
16.76
.010
0.25
.032
0.81
.080
2.03
.253
6.43
.440
11.18
.695
17.65
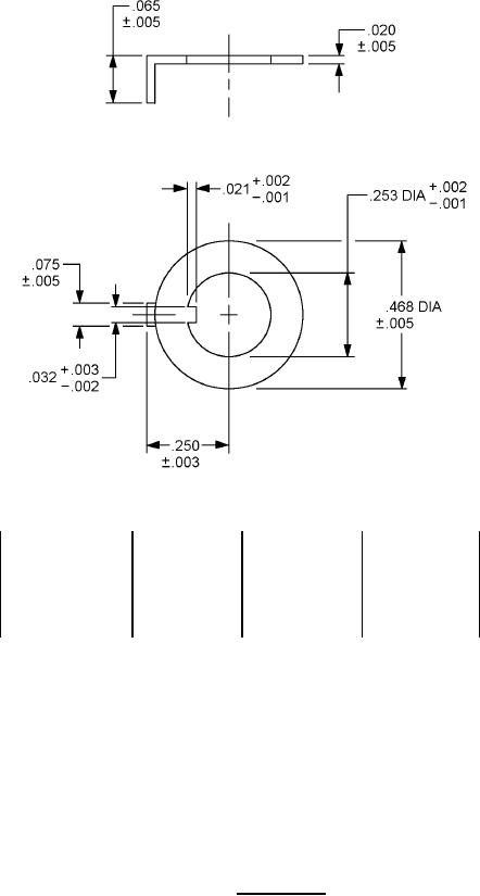
NOTES:
1. Dimensions are in inches.
2. Metric equivalents are given for general information only.
3. Unless otherwise specified, tolerance is ± .005 (0.13 mm).
4. Direction of internal mechanism movement is opposite to direction of toggle movement.
FIGURE 3. Locking ring.
3