
INCH-POUND
MIL-DTL-5423/6D
17 February 2009
SUPERSEDING
MIL-DTL-5423/6C
4 February 2008
DETAIL SPECIFICATION SHEET
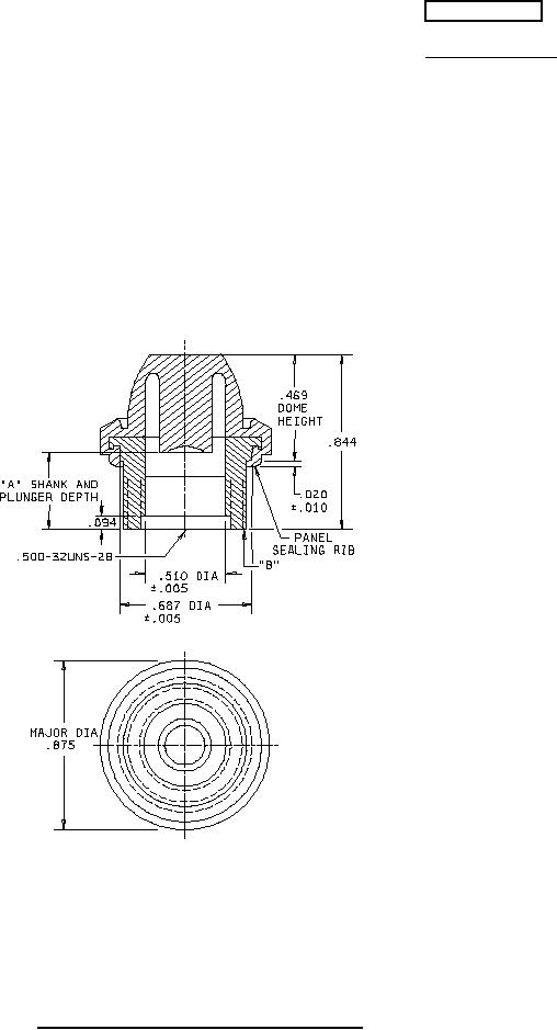
BOOT, DUST AND WATER SEAL,
TYPE B (FOR PUSH-BUTTON SWITCHES),
STYLE 1 (ONE HOLE MOUNTING, ADAPTER TYPE)
This specification sheet is approved for use by all Departments and Agencies of the Department of Defense.
The requirements for acquiring the product described herein shall consist of this specification sheet and MIL-DTL-5423.
Inches
mm
.005
0.13
.010
0.25
.020
0.51
.094
2.39
.469
11.91
.500
12.70
.510
12.95
.687
17.45
.844
21.44
.875
22.23
NOTES:
1.
Dimensions are in inches.
2.
Metric equivalents are given for general information only and are based upon 1 inch = 25.4 mm.
3.
Unless otherwise specified, tolerances are ±.015 (.38 mm).
FIGURE 1. Dimensions and configuration boot type B, style 1.
FSC 5930
AMSC N/A