
INCH-POUND
MIL-DTL-5423/15H
17 February 2009
SUPERSEDING
MIL-DTL-5423/15G
4 February 2008
DETAIL SPECIFICATION SHEET
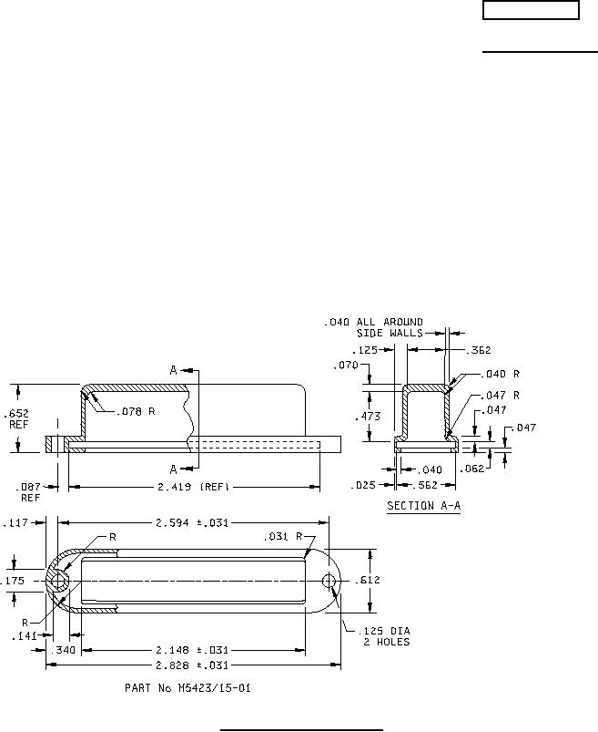
BOOT, DUST AND WATER SEAL, TYPE B (FOR TOGGLE AND PUSHBUTTON SWITCHES,
CIRCUIT BREAKERS, AND ROTARY-ACTUATED PARTS) (FOR HANDSET SWITCHES), STYLE 5
This specification sheet is approved for use by all Departments and Agencies of the Department of Defense.
The requirements for acquiring the product described herein shall consist of this specification sheet and MIL-DTL-5423.
FIGURE 1. Dimensions and configuration.
AMSC N/A
FSC 5930